СЕРИЯ z04
Современные решения
География поставок по всей России
Подбор оборудования
по техническому заданию
Технические характеристики
Площадь одной пластины - 0,04 м2
Площадь теплообмена, макс. м2 - 3,7
Ду - 32мм
Рабочие среды: жидкость - вода (техническая и водопроводная), нефть, масла
Материал пластин: нержавеющая сталь AISI316, AISI321, AISI304
Материал уплотнений: NBR, EPDM, EPDM HT, NITRIL, Fluor, Viton
Толщина пластин: 0,4 мм; 0,5 мм; 0,6 мм
Тип крепления: клипсовый
Амплитуда рабочих температур: от -20°С до +180°С
Рабочее давление: до 2,5 МПа
37
Масса, кг
33
27
61 - 70
Количество пластин
31 - 60
5 - 30
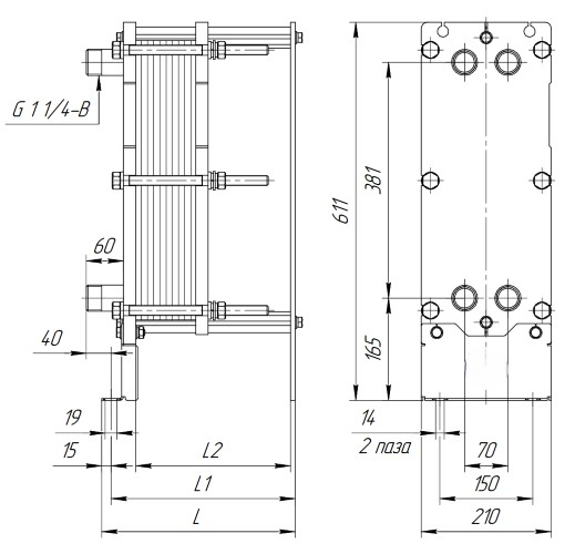
Размер в мм
6
М12
Кол-во
Стяжные шпильки
470
320
220
563
3
№ рамы
Расчетное давление
413
90+2,55*n1
313
2
1
L1
L
L2
Размер
1,0 МПа (10 кгс/см2)
1,6 МПа (16 кгс/см2)
1n - количество пластин
Заказать пластинчатый теплообменник в нашей компании можно одним из указанных способов:

- Направить запрос в свободной форме на почту yunikomvest@internet.ru, указав нем любую имеющуюся у Вас информацию либо прикрепив опросный лист, расчет или фото шильды. В запросе необходимо указать адрес объекта, а также реквизиты организации.
- Скачать печатную форму опросного листа, заполнить его и направить на почту yunikomvest@internet.ru, прикрепив также реквизиты организации.
- жилищно-коммунальное хозяйство (горячее водоснабжение, отопление);
- промышленная энергетика;
- пищевая и молочная промышленность;
- химическая и фармацевтическая промышленность;
- нефтедобывающая промышленность;
- металлургия и машиностроение, а также многие другие.
Сферы применения:
- площадь теплообмена составляет 74% от общей площади пластины.
Максимальное использование площади уменьшает вес, а также
габариты готового изделия, что обеспечивает компактность теплообменника;
- работает в различных средах при различных давлениях;
- при производстве данных теплообменников используются современные материалы отечественного и импортного производства;
- качество продукции на уровне ведущих мировых производителей;
- эксплуатационные характеристики соответствуют самым высоким критериям энергоэффективности;
- широкий типоразмерный ряд;
- индивидуальный расчет для каждого теплообменника при помощи собственного программного обеспечения;
- при производстве теплообменников строго соблюдается соответствие требованиям безопасности Технического регламента таможенного союза ТР ТС 010/2011 О безопасности машин и оборудования под избыточным давлением;
- возможность использования теплообменников в процессах с применением агрессивных сред;
- возможность конструктивной доработки теплообменника под индивидуальные потребности Заказчика;
- гарантийное и постгарантийное обслуживание теплообменников квалифицированными специалистами во всех регионах страны.
Главные преимущества пластинчатых теплообменников серии Z:
Наши специалисты готовы ответить на любые вопросы
нужна консультация?
выполненные поставки
Консультация персонального менеджера по бесплатному номеру:
+7 (916) 442-93-31
Made on
Tilda